- 產品中心
- 無刷直驅電機
- 有刷力矩電機
- DD馬達/整裝電機
- 編碼器和驅動器
NH-LYX有刷直流力矩電機您所在的位置:首頁 >> 產品中心 >> 有刷力矩電機 >> NH-LYX有刷直流力矩電機
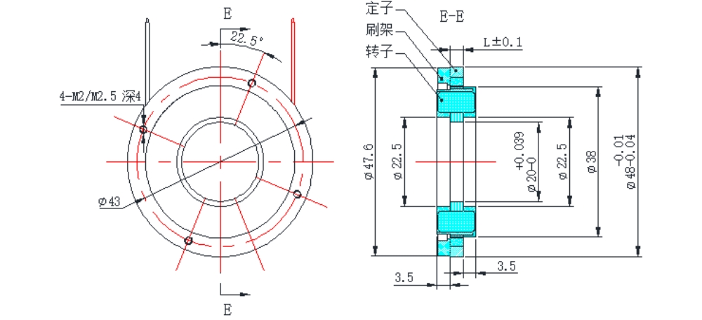
| NH48LYX系列直流力矩電機 |
| 發布時間:2017-08-14 17:42:19| 瀏覽次數: |
| 上一篇:NH45LYX系列直流力矩電機 下一篇:NH52LYX系列直流力矩電機 |

