- 產品中心
- 無刷直驅電機
- 有刷力矩電機
- DD馬達/整裝電機
- 編碼器和驅動器
DDSM系列無刷直驅電機您所在的位置:首頁 >> 產品中心 >> 無刷直驅電機 >> DDSM系列無刷直驅電機
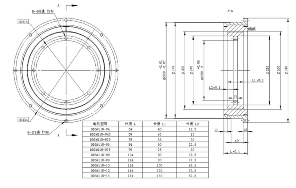
| DDSM118系列無刷直流力矩電機 |
| 發布時間:2020-06-18 17:46:59| 瀏覽次數: |
| 上一篇:DDSM10系列無刷直流力矩電機 下一篇:DDSM79系列無刷直流力矩電機 |

