- Products
Sinewave brushless drive motorYou Are Here:Home >> Products >> Brushless DC motor >> Sinewave brushless drive motor
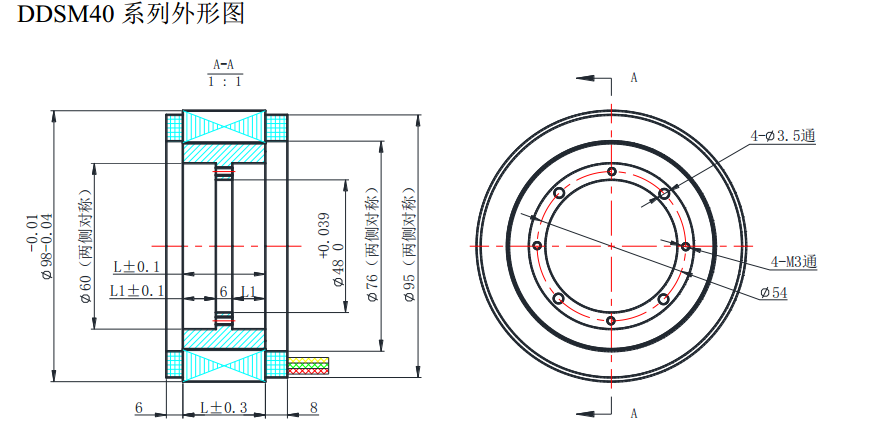
| DDSM40series brushless drive motor |
| Release time:2017-08-12 16:25:40| Browse times: |
| Last chapter:DDSM33 series brushless drive motor Next chapter:DDSM65 series brushless drive motor |




